很多設計院的朋友經常打電話過來詢問,電磁流量計各種口徑的尺寸大小,因為根據不同的口徑對應的尺寸也不一樣,那么今天我們就給大家整理了一下:
DN15-DN150電磁流量計外形尺寸及重量
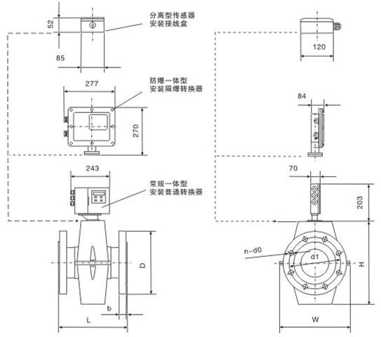
DN15~DN150,1.6、4.0Mpa傳感器和一體型外形圖(傳感器長度可根據用戶實際情況少量調整)
外形尺寸及重量 法蘭尺寸(標準:GB/T9119)
公稱通徑DN |
L |
W |
H |
參考重量Kg |
|
公稱通徑 |
壓力1.6Mpa |
壓力4.0Mpa |
|||||||||
一體型 |
傳感器 |
D |
d1 |
d0 |
n |
b |
D |
d1 |
d0 |
n |
b |
||||||
15 |
200 |
140 |
174 |
10 |
7 |
15 |
95 |
65 |
14 |
4 |
16 |
95 |
65 |
14 |
4 |
16 |
|
20 |
200 |
140 |
174 |
12 |
9 |
20 |
105 |
75 |
14 |
4 |
18 |
105 |
75 |
14 |
4 |
18 |
|
25 |
200 |
140 |
174 |
14 |
11 |
25 |
115 |
85 |
14 |
4 |
18 |
115 |
85 |
14 |
4 |
18 |
|
32 |
200 |
168 |
210 |
15 |
12 |
32 |
140 |
100 |
18 |
4 |
18 |
140 |
100 |
18 |
4 |
18 |
|
40 |
200 |
176 |
210 |
16 |
13 |
40 |
150 |
110 |
18 |
4 |
20 |
150 |
110 |
18 |
4 |
20 |
|
50 |
200 |
176 |
210 |
17 |
14 |
50 |
165 |
125 |
18 |
4 |
20 |
165 |
125 |
18 |
4 |
20 |
|
65 |
200 |
214 |
250 |
25 |
22 |
65 |
185 |
145 |
18 |
4 |
20 |
185 |
145 |
18 |
8 |
22 |
|
80 |
200 |
214 |
250 |
29 |
26 |
80 |
200 |
160 |
18 |
8 |
22 |
200 |
160 |
18 |
8 |
22 |
|
100 |
250 |
230 |
312 |
31 |
28 |
100 |
220 |
180 |
18 |
8 |
22 |
235 |
190 |
22 |
8 |
26 |
|
125 |
250 |
281 |
370 |
36 |
33 |
125 |
250 |
210 |
18 |
8 |
22 |
270 |
220 |
26 |
8 |
26 |
|
150 |
300 |
281 |
370 |
41 |
38 |
150 |
285 |
240 |
22 |
8 |
24 |
300 |
250 |
26 |
8 |
28 |
公稱通徑 DN |
L |
HΦ |
參考重量Kg |
|
公稱通徑 |
壓力1.6Mpa |
壓力1.0Mpa |
||||||||
D |
d1 |
d0 |
n |
b |
D |
d1 |
d0 |
n |
b |
||||||
200 |
300 |
310 |
45 |
200 |
340 |
295 |
22 |
12 |
26 |
340 |
295 |
22 |
8 |
24 |
|
250 |
450 |
358 |
50 |
250 |
405 |
355 |
26 |
12 |
28 |
395 |
350 |
22 |
12 |
26 |
|
300 |
450 |
410 |
60 |
300 |
460 |
410 |
26 |
12 |
32 |
445 |
400 |
22 |
12 |
28 |
|
350 |
500 |
465 |
145 |
350 |
520 |
470 |
26 |
16 |
35 |
505 |
460 |
22 |
16 |
30 |
|
400 |
500 |
515 |
180 |
400 |
580 |
525 |
30 |
16 |
38 |
565 |
515 |
26 |
16 |
32 |
|
450 |
550 |
564 |
215 |
450 |
640 |
585 |
30 |
20 |
42 |
615 |
565 |
26 |
20 |
35 |
|
500 |
550 |
614 |
245 |
500 |
715 |
650 |
33 |
20 |
46 |
670 |
620 |
26 |
20 |
38 |
|
600 |
600 |
722 |
335 |
600 |
840 |
770 |
36 |
20 |
52 |
780 |
725 |
30 |
20 |
42 |
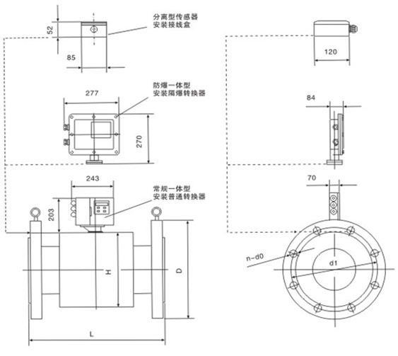
DN700-DN3000電磁流量計外形尺寸及重量
DN700~DN3000,0.6、1.0Mpa傳感器外形圖(傳感器長度可根據用戶實際情況少量調整)
注:1、DN700~DN3000無一體型,均為分體型;
2、DN700~DN1600分體防爆型傳感器外形和常規儀表相同。
外形尺寸及重量 法蘭尺寸(標準:GB/T9119)
公稱通徑 DN |
L |
HΦ |
參考重量Kg |
|
公稱通徑 DN |
壓力1.0Mpa |
壓力0.6Mpa |
||||||||
D |
d1 |
d0 |
n |
b |
D |
d1 |
d0 |
n |
b |
||||||
700 |
700 |
836 |
435 |
700 |
895 |
840 |
30 |
24 |
30 |
860 |
810 |
26 |
24 |
26 |
|
800 |
800 |
936 |
545 |
800 |
1015 |
950 |
33 |
24 |
32 |
975 |
920 |
30 |
24 |
26 |
|
900 |
900 |
1036 |
655 |
900 |
1115 |
1050 |
33 |
28 |
34 |
1075 |
1020 |
30 |
24 |
26 |
|
1000 |
1000 |
1136 |
810 |
1000 |
1230 |
1160 |
36 |
28 |
34 |
1175 |
1120 |
30 |
28 |
26 |
|
1200 |
1200 |
1336 |
875 |
1200 |
|
1405 |
1340 |
33 |
32 |
28 |
|||||
1400 |
1400 |
1536 |
1235 |
1400 |
|
1630 |
1560 |
36 |
36 |
32 |
|||||
1600 |
1600 |
1736 |
1555 |
1600 |
|
1830 |
1760 |
36 |
40 |
34 |
|||||
1800 |
1800 |
1960 |
2085 |
1800 |
|
2045 |
1970 |
39 |
44 |
36 |
|||||
2000 |
2000 |
2160 |
2610 |
2000 |
|
2265 |
2180 |
42 |
48 |
38 |
|||||
2200 |
2200 |
2364 |
3210 |
2200 |
|
2475 |
2390 |
42 |
52 |
42 |
|||||
2400 |
2400 |
2564 |
3910 |
2400 |
|
2685 |
2600 |
42 |
56 |
44 |
|||||
2600 |
2600 |
2764 |
4280 |
2600 |
|
2905 |
2810 |
48 |
60 |
46 |
|||||
2800 |
2800 |
2960 |
5000 |
2800 |
|
3115 |
3020 |
48 |
64 |
48 |
|||||
3000 |
3000 |
3160 |
5600 |
3000 |
|
3315 |
3220 |
48 |
68 |
50 |
外形尺寸及重量 法蘭尺寸(標準:GB/T9119)
上一篇:電磁流量計的電極和接地環材料
版權所有 Copyright(©)2009-2011 江蘇力科儀表有限公司
電話號碼:0517-86909222 商務熱線:15305232668 傳真:0517-86909221
地址:江蘇省金湖縣工業園
技術支持:易品網站建設專家 蘇ICP備13047422號-2